»úеÈ˱äλ»ú/ÊÂÇéÕ¾
ÄúµÄλÖãºÊ×Ò³ > ²úÆ·ÖÐÐÄ > »úеÈ˱äλ»ú/ÊÂÇéÕ¾ > ±äλ»ú2PF300/500/1000
»úеÈ˱äλ»ú/ÊÂÇéÕ¾
ÄúµÄλÖãºÊ×Ò³ > ²úÆ·ÖÐÐÄ > »úеÈ˱äλ»ú/ÊÂÇéÕ¾ > ±äλ»ú2PF300/500/1000
»Ê¼Ò¹ú¼Ê×øÂäÓÚ½ËÕ³£ÖÝÌìÄþÇø£¬£¬£¬£¬£¬×¨Òµ´Óʺ¸½ÓϵͳµÄ¿ª·¢ÓëÖÆÔì¡¢º¸½ÓÇиîÊÖÒÕ×ÉѯÓëЧÀ͵ÄרҵÐÔ¸ßÐÂÊÖÒÕÆóÒµ¡£¡£¡£¡£¡£¡£¡£¹«Ë¾×ÊÁ¦ºñ¡¢ÊÖÒÕÏȽø£¬£¬£¬£¬£¬²úÆ·Ô¶ÏúÌ©¹ú¡¢Ô½ÄÏ¡¢·ÆÂɱöµÈ¶«ÄÏÑǹú¼ÒºÍµØÇø¡£¡£¡£¡£¡£¡£¡£
×ÔÓÐÈí¼þרÀûͨ¹ý֪ʶϵͳ¹á±êÈÏÖ¤£¬£¬£¬£¬£¬¸ßÐÂÊÖÒÕÆóÒµ×ÔÖ÷Ñз¢ÍŶӣ¬£¬£¬£¬£¬¿Éƾ֤¿Í»§ÐèÇó·Ç±ê¶¨ÖÆ¡£¡£¡£¡£¡£¡£¡£»£»£»£»£»£»£»ñµÃ¸÷ÏîרÀû30ÓàÏî¡£¡£¡£¡£¡£¡£¡£
Äú¿ÉÒÔµÚһʱ¼äÏàʶµ½»Ê¼Ò¹ú¼ÊµÄ×îж¯Ì¬£¬£¬£¬£¬£¬ÓëÄú·ÖÏíÐÐÒµµÄ×îÈÈ×ÊѶ£¬£¬£¬£¬£¬Ê±¿ÌÔÚΪÄúЧÀÍ¡£¡£¡£¡£¡£¡£¡£ÔÚº¸½ÓͨÓÃ×°±¸¡¢º¸½Ó½á¹¹¼þ¡¢¹¤×°¼Ð¾ß¡¢º¸½Ó×Ô¶¯»¯×°±¸¼°¿ØÖÆ·½Ãæ»ýÀÛÁ˸»ºñµÄʵ¼ùÂÄÀú¡£¡£¡£¡£¡£¡£¡£
±ü³Ö×Å¡°Ê÷Á¢Ò»ÖÖÓÅÖÊÐÎÏó£ºÓÅÖÊЧÀÍÊÇÉúÃü£¬£¬£¬£¬£¬¿Í·þÖª×ãÊÇÄ¿µÄ¡±µÄı»®ÀíÄ£¬£¬£¬£¬ÊµÑé²î±ð»¯Õ½ÂÔ£¬£¬£¬£¬£¬ÔÚϸ·ÖÊг¡·¢Á¦£¬£¬£¬£¬£¬Îª¿Í»§Ìṩ¸ßÆ·ÖʵĹ¤Òµ»úеÈ˺ÍÖÇÄÜÖÆÔì½â¾ö¼Æ»®¡£¡£¡£¡£¡£¡£¡£¿£¿£¿£¿£»Ê¼Ò¹ú¼Ê¹¤Òµ»úеÈËÒ»Ö±ÇãÐÄ´òÔìºÃµÄÆ·ÖÊ£¬£¬£¬£¬£¬ÃãÁ¦×·ÇóÖªÐĵÄЧÀÍ¡£¡£¡£¡£¡£¡£¡£
»Ê¼Ò¹ú¼Ê
»Ê¼Ò¹ú¼Ê×øÂäÓÚ½ËÕ³£ÖÝÌìÄþÇø£¬£¬£¬£¬£¬×¨Òµ´Óʺ¸½ÓϵͳµÄ¿ª·¢ÓëÖÆÔì¡¢º¸½ÓÇиîÊÖÒÕ×ÉѯÓëЧÀÍµÄ ×¨ÒµÐÔ¸ßÐÂÊÖÒÕÆóÒµ¡£¡£¡£¡£¡£¡£¡£¹«Ë¾Ö÷Òª²úÆ·ÓÐOTCº¸½Ó»úеÈË¡¢OTCº¸»ú£¬£¬£¬£¬£¬º¸½Ó»ú£¬£¬£¬£¬£¬¹¤×°£¬£¬£¬£¬£¬¼Ð¾ß£¬£¬£¬£¬£¬¼ì¾ß£¬£¬£¬£¬£¬·Ç±ê×Ô¶¯»¯º¸½Ó×°±¸¡¢»úеÈËÓ¦ÓÃϵͳµÈ£¬£¬£¬£¬£¬
Ðû²¼£º2022-08-30 ä¯ÀÀ£º6597
΢ÐÅɨÂë×Éѯ
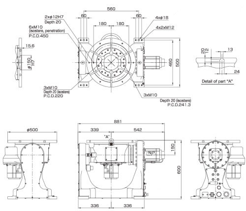
ÁªÏµ»Ê¼Ò¹ú¼Ê´Ó×îСµÄ25kgµ½×î´óµÄ1000kg£¬£¬£¬£¬£¬ÖÐÐÄÒ»¹²6ÖÖ»úÐÍ£»£»£»£»£»£»£»¿Éͨ¹ý»úеÈ˵Äʾ½ÌºÐ¾ÙÐвÙ×÷£¬£¬£¬£¬£¬¿ÉÓë»úеÈËͬʱ¾ÙÐÐʾ½ÌÊÂÇ飻£»£»£»£»£»£»½ÓÄɵÄÊÇACËÅ·þÂí´ïºÍÎÞ±³Ï¶¼õËÙ»ú£¬£¬£¬£¬£¬Òò´Ë¿ÉÒÔ»ñµÃºÍ»úеÈËͬÑùµÄ¸ß¾«¶È£»£»£»£»£»£»£»Óë»úеÈËÅäÌ×ʹÓÃʱ£¬£¬£¬£¬£¬¿ÉÒÔʵÏÖе÷Ðж¯¡£¡£¡£¡£¡£¡£¡£

| ÐͺŠ| A2PF300-ENN | A2PF500-ENN | A2PF1000-ENN |
| ×î´ó´îÔØÖØÁ¿ | 300kg | 500kg | 1000kg |
| ×î´óÐýתËÙÂÊ | 3.1rad/sec[180¡ã/s] | 2.8rad/sec[162¡ã/s] | 2.9rad/sec[72¡ã/s] |
| ×î´óÇãбËÙÂÊ | 2.2rad/sec[125¡ã/s] | 1.5rad/sec[84¡ã/s] | 1.4rad/sec[82¡ã/s] |
| ÔÊÐí×î´óŤ¾Ø | 294N¡¤m | 392N¡¤m | 882N¡¤m |
| ÇãбÖáÔÊÐí×î´óŤÇú | 882N¡¤m | 1347N¡¤m | 3704N¡¤m |
| λÖÃÖØ¸´¾«¶È | ¡À0.08mm£¨ÔÚR250µÄλÖã© | ¡À0.08mm£¨ÔÚR250µÄλÖã© | ¡À0.08mm£¨ÔÚR250µÄλÖã© |
| Ðýת×èֹλÖà | í§ÒâλÖà | í§ÒâλÖà | í§ÒâλÖà |
| ±¾ Ìå ÖØ Á¿ | 260kg | 260kg | 470kg |

ɨһɨ